Design
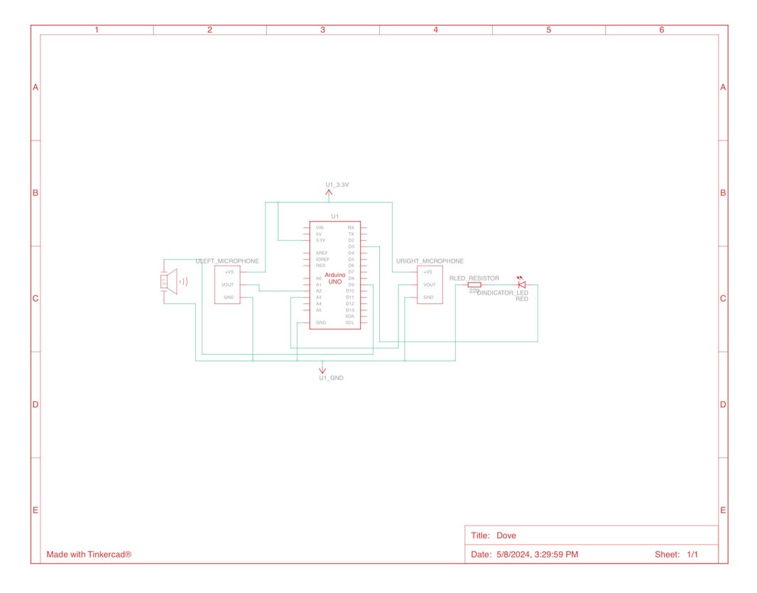
Circuitry Diagram

Components
- Dove uses two microphones for sound detection
- An LED that flashes to get attention
- A buzzer that alerts people using sound
- A small LCD screen to display messages
- An Arduino Uno as the brains for dove

Our project is open source and can be found on github here